LOADCELL QSA KELI 40 TẤN
Loadcell QSA Keli 40 tấn là loại cảm biến tương tự, được lắp đặt trong hệ thống các trạm cân ô tô điện tử. Sản phẩm được Tân Phát phân phối chính hãng với chế độ bảo hành đầy đủ tới 12 tháng.

Loadcell QSA Keli 40 tấn được Tân Phát cung cấp chính hãng
✅ Thông số kỹ thuật loadcell QSA 40 tấn
|
Tên sản phẩm |
Loadcell QSA 40 tấn |
|
Thương hiệu |
Keli |
|
Nhà cung cấp |
|
|
Bảo hành |
12 tháng |
|
Model |
QS-A 40T |
|
Tiêu chuẩn |
OIML |
|
Cấp chính xác |
IP68 |
|
Kiểu loadcell |
Dạng cầu bi |
|
Chất liệu |
Hợp kim thép Thép không gỉ |
|
Độ nhạy đầu ra |
2.0 ± 0.02 mV/V |
|
Độ chính xác |
0.02% |
|
Quá tải an toàn |
150%F.S |
|
Quá tải phá hủy |
300%F.S |
|
Nhiệt độ bù |
-10 đến +40°C |
|
Nhiệt độ hoạt động lý tưởng |
-30 đến +70°C |
|
Nguồn điện cấp |
10 đến 20V (DC) |
|
Nguồn điện cấp tối đa |
15V (DC) |
|
Điện trở đầu vào |
750 ± 10Ω |
|
Điện trở đầu ra |
702 ± 3Ω / 703 ± 5Ω (>15m) |
|
Điện trở cách nhiệt |
≥5000MΩ ( tại 50VDC) |
|
Chiều dài dây dẫn |
10-16m |
|
Ứng dụng |
Cân ô tô 40-150 tấn |
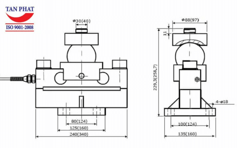
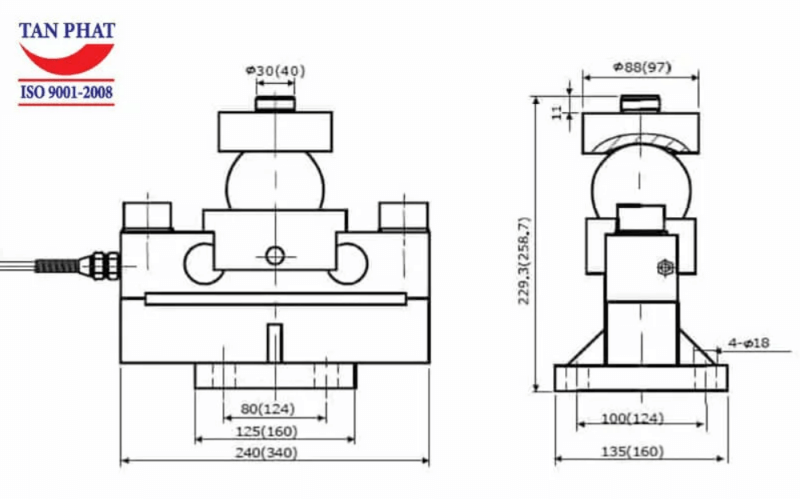
✅ Bản vẽ cấu tạo loadcell QSA Keli 40 tấn

Bản vẽ cấu tạo chi tiết loadcell QSA 40 tấn của Keli
✅ Hình ảnh thực tế loadcell QSA Keli 40 tấn

QSA 40 tấn Keli là loại cảm biến lực Analog, toàn bộ vỏ từ hợp kim thép không gỉ, có khả năng chịu va đập tốt nên có thể hoạt động ổn định trong môi trường khắc nghiệt.

Sản phẩm được Tân Phát nhập khẩu trực tiếp và cung cấp chính hãng ra thị trường, đầy đủ giấy kiểm định chất lượng, CO, CQ,…

Thiết kế dạng cầu bi giúp loadcell QSA có thể giữ cân bằng tốt hơn so với những loại loadcell cân ô tô thông thường khác.

Dây tín hiệu dài, màu sắc phân biệt rõ ràng giúp người dùng có thể dễ dàng đấu nối loadcell với hệ thống cân.

Lưu ý: Khi lắp đặt loadcell, tránh cắt ngắn dây tín hiệu bởi hành động này có thể gây ra hiện tượng lệch góc cân, làm giảm độ chính xác của hệ thống cân khi sử dụng.
*Xem thêm cách lắp đặt và báo giá loadcell QSA Keli tại đây >>> thietbidien88.com/loadcell-qsa
*Xem thêm các loại loadcell PST khác tại đây:
- Loadcell QSA Keli 20 tấn: https://thietbidien88.com/loadcell-qs-a-20-tan
- Loadcell QSA Keli 30 tấn: https://thietbidien88.com/loadcell-qs-a-30-tan
*Xem thêm loadcell QSD Keli (cảm biến lực kỹ thuật số dành cho cân ô tô) tại đây >>> https://thietbidien88.com/loadcell-qs-d
Liên hệ nhận tư vấn và báo giá chi tiết tại:
CÔNG TY CỔ PHẦN CÔNG NGHỆ TỰ ĐỘNG TÂN PHÁT
- Địa chỉ: VT32, LK4, KĐT Đại Thanh, Tả Thanh Oai, Thanh Trì, Hà Nội
- Hotline: 0963 966 866
- Email: tpautotech01@gmail.com