LOADCELL QSA KELI 30 TẤN
Loadcell QSA Keli 30 tấn được biết đến là dòng cảm biến lực Analog của Keli, độ cảm biến cao, kết cấu dạng cầu bi cùng khả năng chịu lực tốt. Theo đó, loại loadcell này được sử dụng phổ biến trong các trạm cân ô tô điện tử từ 60 – 150 tấn.

Loadcell QSA 30 tấn của thương hiệu Keli - Thương hiệu thiết bị cân điện tử chất lượng hàng đầu thế giới
✅ Thông số kỹ thuật loadcell QSA Keli 30 tấn
|
Tên sản phẩm |
Loadcell QSA 30 tấn |
|
Thương hiệu |
Keli |
|
Nhà cung cấp |
|
|
Bảo hành |
12 tháng |
|
Model |
QS-A 30T |
|
Tiêu chuẩn |
OIML |
|
Cấp chính xác |
IP68 |
|
Kiểu loadcell |
Dạng cầu bi |
|
Chất liệu |
Hợp kim thép Thép không gỉ |
|
Độ nhạy đầu ra |
2.0 ± 0.02 mV/V |
|
Độ chính xác |
0.02% |
|
Quá tải an toàn |
150%F.S |
|
Quá tải phá hủy |
300%F.S |
|
Nhiệt độ bù |
-10 đến +40°C |
|
Nhiệt độ hoạt động lý tưởng |
-30 đến +70°C |
|
Nguồn điện cấp |
10 đến 20V (DC) |
|
Nguồn điện cấp tối đa |
15V (DC) |
|
Điện trở đầu vào |
750 ± 10Ω |
|
Điện trở đầu ra |
702 ± 3Ω / 703 ± 5Ω (>15m) |
|
Điện trở cách nhiệt |
≥5000MΩ ( tại 50VDC) |
|
Chiều dài dây dẫn |
10-16m |
|
Ứng dụng |
Cân ô tô 40-150 tấn |
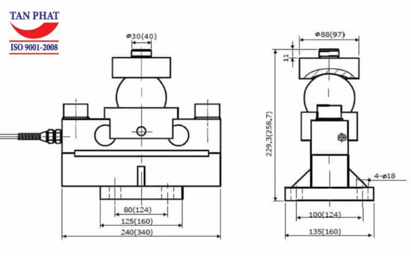
✅ Bản vẽ cấu tạo loadcell QSA Keli 30 tấn

Bản vẽ kỹ thuật chi tiết loadcell QSA Keli
✅ Hình ảnh thực tế loadcell QSA Keli 30 tấn

Tân Phát nhập khẩu chính ngạch loadcell QSA 30 tấn từ thương hiệu Keli, cung cấp ra thị trường trong nước với đầy đủ CO, CQ

Loadcell QSA 30 tấn được sử dụng phổ biến nhờ giá thành rẻ, chất lượng ổn định, thời gian giao hàng nhanh chóng, chế độ bảo hành đầy đủ.

Cảm biến lực QSA 30 tấn có dạng cầu bi, chất liệu hợp kim thép chống gỉ nên có khả năng chịu lực lớn, hoạt động ổn định, độ bền cao.

Dây tín hiệu dài 10 – 16m. Chú ý khi sử dụng tránh cắt ngắn dây tín hiệu của từng loadcell bởi có thể gây nên hiện tượng lệch góc cân.

Quý khách quan tâm vui lòng liên hệ Tân Phát qua hotline: 0963 966 866 để nhận báo giá tốt nhất.
*Xem thêm cách lắp đặt và báo giá loadcell QSA Keli tại đây >>> thietbidien88.com/loadcell-qsa
*Xem thêm các loại loadcell PST khác tại đây:
- Loadcell QSA Keli 20 tấn: https://thietbidien88.com/loadcell-qs-a-20-tan
- Loadcell QSA Keli 40 tấn: https://thietbidien88.com/loadcell-qs-a-40-tan
*Xem thêm loadcell QSD Keli (cảm biến lực kỹ thuật số dành cho cân ô tô) tại đây >>> https://thietbidien88.com/loadcell-qs-d
Liên hệ nhận tư vấn và báo giá chi tiết tại:
CÔNG TY CỔ PHẦN CÔNG NGHỆ TỰ ĐỘNG TÂN PHÁT
- Địa chỉ: VT32, LK4, KĐT Đại Thanh, Tả Thanh Oai, Thanh Trì, Hà Nội
- Hotline: 0963 966 866
- Email: tpautotech01@gmail.com