LOADCELL QSA KELI 20 TẤN
Loadcell QSA Keli 20 tấn là loại cảm biến lực Analog với độ nhạy cao, tải trọng lớn. Do vậy, loại cảm biến lực này thường được sử dụng lắp đặt trong cân ô tô điện tử. Sản phẩm được Tân Phát nhập khẩu và phân phối chính hãng ra thị trường.

Loadcell QSA 20 tấn chuyên dùng cho cân ô tô điện tử
✅ Thông số kỹ thuật loadcell QSA Keli 20 tấn
|
Tên sản phẩm |
Loadcell QSA 20 tấn |
|
Thương hiệu |
Keli |
|
Nhà cung cấp |
Tân Phát |
|
Bảo hành |
12 tháng |
|
Model |
QSA |
|
Tiêu chuẩn |
OIML |
|
Cấp chính xác |
IP68 |
|
Kiểu loadcell |
Dạng cầu bi |
|
Chất liệu |
Hợp kim thép Thép không gỉ |
|
Độ nhạy đầu ra |
2.0 ± 0.02 mV/V |
|
Độ chính xác |
0.02% |
|
Quá tải an toàn |
150%F.S |
|
Quá tải phá hủy |
300%F.S |
|
Nhiệt độ bù |
-10 đến +40°C |
|
Nhiệt độ hoạt động lý tưởng |
-30 đến +70°C |
|
Nguồn điện cấp |
10 đến 20V (DC) |
|
Nguồn điện cấp tối đa |
15V (DC) |
|
Điện trở đầu vào |
750 ± 10Ω |
|
Điện trở đầu ra |
702 ± 3Ω / 703 ± 5Ω (>15m) |
|
Điện trở cách nhiệt |
≥5000MΩ ( tại 50VDC) |
|
Chiều dài dây dẫn |
10-16m |
|
Ứng dụng |
Cân ô tô 40-120 tấn |
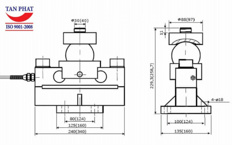
✅ Bản vẽ cấu tạo loadcell QSA Keli 20 tấn

Bản vẽ kỹ thuật chi tiết loadcell QSA 20 tấn
✅ Hình ảnh thực tế loadcell QSA Keli 20 tấn

Tân Phát nhập khẩu chính ngạch loadcell QSA từ thương hiệu Keli, đầy đủ giấy kiểm định chất lượng, CO, CQ

Sản phẩm có tốc độ cảm biến nhanh, độ nhạy cao, khả năng chịu va đập tốt nên được lắp đặt phổ biến trong các trạm cân ô tô điện tử từ 20 – 100 tấn.

Loadcell QSA 20 tấn có thiết kế dạng cầu bi, vỏ hợp kim thép chống gỉ

Chiều dài dây tín hiệu lên tới 10 ~ 16m, 5 lõi với các màu riêng biệt giúp người dùng dễ dàng đấu nối với hệ thống cân

Đây là dòng cảm biến lực cân ô tô với model mới nhất hiện nay, thay thế cho các dòng loadcell trước đây. Sản phẩm có nhiều chức năng vượt trội.
*Xem thêm cách lắp đặt và báo giá loadcell QSA Keli tại đây >>> https://thietbidien88.com/loadcell-qsa
*Xem thêm các loại loadcell PST khác tại đây:
- Loadcell QSA Keli 30 tấn: https://thietbidien88.com/loadcell-qs-a-30-tan
- Loadcell QSA Keli 40 tấn: https://thietbidien88.com/loadcell-qs-a-40-tan
*Xem thêm loadcell QSD Keli (cảm biến lực kỹ thuật số dành cho cân ô tô) tại đây >>> https://thietbidien88.com/loadcell-qs-d
Liên hệ nhận tư vấn và báo giá chi tiết tại:
CÔNG TY CỔ PHẦN CÔNG NGHỆ TỰ ĐỘNG TÂN PHÁT
- Địa chỉ: VT32, LK4, KĐT Đại Thanh, Tả Thanh Oai, Thanh Trì, Hà Nội
- Hotline: 0963 966 866
- Email: tpautotech01@gmail.com