LOADCELL HSX KELI 100KG
Tân Phát nhập khẩu loadcell HSX Keli 100kg từ thương hiệu Keli, Trung Quốc. Đây là loại loadcell xoắn, thường được lắp cho các loại cân bàn, cân sàn, cân đóng bao, cân băng tải,…

Loadcell HSX 100kg của thương hiệu Keli được Tân Phát nhập khẩu trực tiếp tại xưởng
✅ Thông số kỹ thuật loadcell HSX Keli 100kg
| Model | HSX | 
| Thương hiệu | Keli | 
| Xuất xứ | Trung Quốc | 
| Nhà cung cấp | Tân Phát | 
| Bảo hành | 12 tháng | 
| Tải trọng | 100kg | 
| Chất liệu | anodized aluminum | 
| Điện áp đầu vào | 400±20Ω | 
| Điện áp đầu ra | 352±3Ω | 
| Điện áp biến đổi | 2±0.002mV/V | 
| Điện trở cách điện | ≥5000MΩ | 
| Tiêu chuẩn bảo vệ | IP68 | 
| Quá tải an toàn | 150% RC | 
| Ứng dụng | Cân bàn điện tử, cân sàn điện tử, cân băng tải, cân đóng bao,... | 
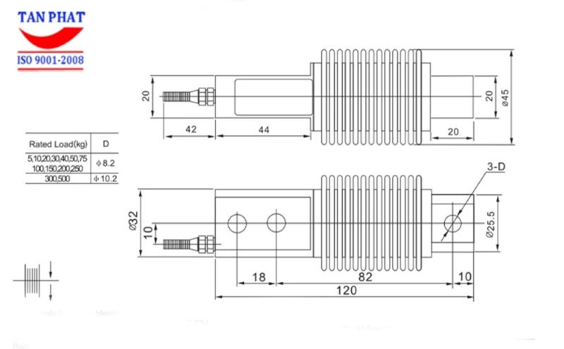
✅ Bản vẽ cấu tạo chi tiết loadcell HSX Keli 100kg

Bản vẽ cấu tạo chi tiết loadcell HSX 100kg
*Xem cách lắp đặt, đấu nối loadcell HSX Keli tại đây >>> https://thietbidien88.com/loadcell-hsx
✅ Hình ảnh thực tế

Loadcell HSX 100kg đạt cấp chính xác C3, tiêu chuẩn bảo vệ IP68, vỏ từ thép hợp kim chống gỉ, nhờ đó có khả năng chống bụi và kháng nước tốt.

Dây tín hiệu có chiều dài 4m, lõi 4 dây với màu riêng biệt giúp thuận tiện trong quá trình đấu nối, lắp đặt

Loadcell HSX 100kg do Tân Phát cung cấp đảm bảo chính hãng, chất lượng được kiểm định với đầy đủ CO, CQ
Liên hệ nhận báo giá ngay tại:
CÔNG TY CỔ PHẦN CÔNG NGHỆ TỰ ĐỘNG TÂN PHÁT
- Địa chỉ: VT32, LK4, KĐT Đại Thanh, Tả Thanh Oai, Thanh Trì, Hà Nội
- Hotline: 0963 966 866
- Email: tpautotech01@gmail.com
 
						 
									 
									 
									 
									 
											 
											 
											 
											 
							 
		 
		 
		 
		 
		 
		 
		 
		 
		 
		 
		 
		