Là loại cảm biến lực dạng xoắn, loadcell HSX Keli 200kg được lắp đặt chủ yếu trong các loại cân công nghiệp như cân bàn, cân sàn, cân đóng bao, cân băng tải,.... Sản phẩm được Tân Phát nhập khẩu và cung cấp chính hãng với chế độ bảo hành 12 tháng đầy đủ.

Loadcell HSX 200kg do Keli sản xuất
Thông số kỹ thuật loadcell HSX Keli 200kg
|
Model |
HSX |
|
Thương hiệu |
Keli |
|
Xuất xứ |
Trung Quốc |
|
Nhà cung cấp |
Tân Phát |
|
Bảo hành |
12 tháng |
|
Tải trọng |
200kg |
|
Chất liệu |
anodized aluminum |
|
Điện áp đầu vào |
400±20Ω |
|
Điện áp đầu ra |
352±3Ω |
|
Điện áp biến đổi |
2±0.002mV/V |
|
Điện trở cách điện |
≥5000MΩ |
|
Tiêu chuẩn bảo vệ |
IP68 |
|
Quá tải an toàn |
150% RC |
|
Ứng dụng |
Cân bàn điện tử, cân sàn điện tử, cân băng tải, cân đóng bao,... |
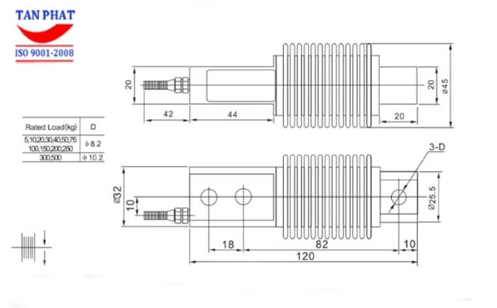
Bản vẽ kỹ thuật loadcell HSX Keli 200kg

Bản vẽ cấu tạo loadcell HSX 200kg của Keli
Đặc điểm và hình ảnh thực tế loadcell HSX Keli 200kg

HSX 200kg là loại loadcell xoắn của Keli, Tân Phát nhập khẩu và cung cấp chính hãng với đầy đủ CO, CQ

Loadcell HSX 300kg của Keli có cấu tạo vỏ từ thép hợp kim chống gỉ, cấp chính xác C3, tiêu chuẩn bảo vệ IP68

Thiết bị có khả năng chống bụi và kháng nước tốt

Dây tín hiệu 5 lõi dài 4m, giúp người dùng có thể dễ dàng đấu nối vào hệ thống cân

Thiết bị được sử dụng phổ biến trong các loại cân công nghiệp như cân bàn, cân sàn, cân đóng bao, cân băng tải,…
Cách lắp đặt và giá loadcell HSX: https://thietbidien88.com/loadcell-hsx
Liên hệ nhận báo giá ngay tại:
CÔNG TY CỔ PHẦN CÔNG NGHỆ TỰ ĐỘNG TÂN PHÁT
- Địa chỉ: VT32, LK4, KĐT Đại Thanh, Tả Thanh Oai, Thanh Trì, Hà Nội
- Hotline: 0963 966 866
- Email: tudonghoa88@gmail.com