Loadcell UDA Keli 150kg là loadcell dạng thanh, do Tân Phát nhập khẩu chính ngạch từ thương hiệu Keli và cung cấp chính hãng ra thị trường Việt Nam. Dòng cảm biến lực này được ứng dụng phổ biến trong các loại cân bàn điện tử, cân đóng bao thành phẩm,…
Sở hữu kích thước nhỏ gọn, chất liệu hợp kim nhôm cao cấp, loadcell UDA phù hợp cho các loại cân có tải trọng nhẹ, nguyên lý hoạt động nén giãn, cảm biến chính xác khối lượng vật.

Loadcell UDA 150kg được Tân Phát nhập khẩu chính ngạch từ Keli, Trung Quốc
✅ Thông số kỹ thuật loadcell UDA Keli 150kg
|
Model |
UDA |
|
Thương hiệu |
Keli |
|
Xuất xứ |
Trung Quốc |
|
Nhà cung cấp |
|
|
Bảo hành |
12 tháng |
|
Công suất định mức |
150kg |
|
Cấp chính xác |
OIML R60 C3 |
|
Điện trở đầu vào |
404±15Ω |
|
Điện trở đầu ra |
350±3Ω |
|
Điện trở khuyến nghị |
> 2000MΩ |
|
Nhiệt độ hoạt động |
-20℃ ~ +50℃ |
|
Điện áp khuyến khích |
10V |
|
Chất liệu |
Nhôm |
|
Chiều dài dây tín hiệu |
~2m |
|
Kết cấu dây tín hiệu |
5 lõi |
|
Quá tải an toàn |
150% |
|
Ứng dụng |
Cân bàn điện tử kích thước 50x60cm, 60x80cm, cân băng định lượng, cân bồn…. |
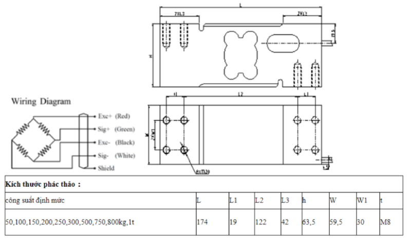
✅ Bản vẽ cấu tạo chi tiết loadcell UDA 150kg

Bản vẽ kỹ thuật chi tiết loadcell UDA 150kg của thương hiệu Keli
✅ Hình ảnh thực tế loadcell UDA Keli 150kg

Loadcell UDA 150kg có dạng thanh, là loại cảm biến lực được sản xuất bởi Keli – thương hiệu lớn, uy tín hàng đầu trên thế giới trong ngành cân điện tử.

Tân Phát nhập khẩu trực tiếp, chính hãng loadcell UDA với đầy đủ giấy chứng minh nguồn gốc, kiểm định chất lượng và CO, CQ. Sản phẩm được bảo hành chính hãng tới 12 tháng.

Đây là loại cảm biến lực được sử dụng cho các loại cân điện tử tải trọng nhỏ, cân đóng bao,…Chất liệu cảm biến lực là hợp kim nhôm cao cấp, kích thước nhỏ, khối lượng nhẹ.
Tân Phát cung cấp loadcell UDA 150kg chính hãng, giá thành rẻ. Đồng thời, chúng tôi còn nhập khẩu và phân phối những dòng cảm biến lực khác với đầy đủ giấy tờ chứng minh nguồn gốc, giấy kiểm định chất lượng sản phẩm,…
*Xem thêm về giá và cách lắp đặt loadcell UDA Keli tại đây >>> https://thietbidien88.com/loadcell-uda
*Xem thêm các loại loadcell UDA tại đây:
- Loadcell UDA Keli 150kg: https://thietbidien88.com/loadcell-uda-150kg
- Loadcell UDA Keli 300kg: https://thietbidien88.com/loadcell-uda-300kg
- Loadcell UDA Keli 600kg: https://thietbidien88.com/loadcell-uda-600kg
Quý khách quan tâm đến sản phẩm vui lòng liên hệ để nhận tư vấn và báo giá chi tiết.
CÔNG TY CỔ PHẦN CÔNG NGHỆ TỰ ĐỘNG TÂN PHÁT
- Địa chỉ: VT32, LK4, KĐT Đại Thanh, Tả Thanh Oai, Thanh Trì, Hà Nội
- Hotline: 0963 966 866
- Email: tpautotech01@gmail.com