LOADCELL UDA KELI (150kg, 300kg, 600kg)
Loadcell UDA Keli là loại loadcell thanh, được sản xuất bởi Keli tại Trung Quốc, có khả năng chịu tải từ 150kg, 300kg đến 600kg. Loại cảm biến lực này được sử dụng chủ yếu cho các loại cân bàn điện tử.

Loadcell UDA do Keli sản xuất, độ chịu tải tốt từ 50kg - 1 tấn
✅ Thông số kỹ thuật loadcell UDA Keli
|
Model |
UDA |
|
Thương hiệu |
Keli |
|
Xuất xứ |
Trung Quốc |
|
Nhà cung cấp |
|
|
Bảo hành |
12 tháng |
|
Công suất định mức |
50kg – 1 tấn |
|
Cấp chính xác |
OIML C3 |
|
Điện trở đầu vào |
404 ± 15Ω |
|
Điện trở đầu ra |
350 ± 3Ω |
|
Điện trở khuyến nghị |
>2000MΩ |
|
Nhiệt độ hoạt động |
-20℃ ~ +50℃ |
|
Điện áp khuyến khích |
10V |
|
Chất liệu |
Nhôm |
|
Chiều dài dây tín hiệu |
1.8m |
|
Lõi dây tín hiệu |
5 lõi |
|
Quá tải an toàn |
150% |
|
Ứng dụng |
Cân bàn điện tử, cân băng định lượng, cân bồn…. |
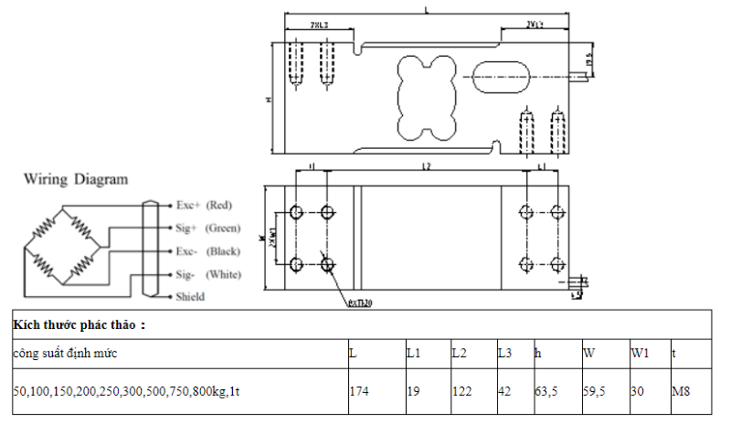
✅ Bản vẽ cấu tạo loadcell UDA Keli

Bản vẽ cấu tạo chi tiết loadcell UDA do Keli sản xuất
✅ Tính năng nổi bật loadcell UDA Keli

Loadcell UDA là cảm biến lực dạng thanh, chất liệu nhôm chống gỉ, cảm biến khối lượng chính xác.

Sản phẩm có kích thước nhỏ, độ nhạy cao và tính ổn định lâu dài. Do đó, được sử dụng chủ yếu cho các loại cân bàn điện tử

Tân Phát cung cấp loadcell UDA chính hãng với đầy đủ CO, CQ, bảo hành tới 12 tháng
✅ Cách lắp đặt, đấu nối loadcell UDA Keli
Loadcell UDA của Keli sở hữu dây tín hiệu 5 lõi với các màu riêng biệt: Đỏ, đen, xanh, trắng, tím. Các dây này được đấu nối vào hệ thống cân tương ứng như sau:
|
ĐỎ |
ĐEN |
XANH |
TRẮNG |
TÍM |
|
EX+ |
EX- |
SIG+ |
SIG- |
SHI |
✅ Loadcell UDA Keli giá bao nhiêu?
Loadcell UDA là loại loadcell công nghiệp dạng thanh được sử dụng phổ biến trên thị trường hiện nay. Loại cảm biến lực này được lắp đặt trong các loại cân công nghiệp như cân xilo, cân bàn, cân đóng bao, cân băng tải, trạm trộn,…
Giá loadcell UDA của hãng Keli tương đối rẻ so với các dòng loadcell khác cùng phân khúc tải trọng. Tuy vậy, chất lượng của sản phẩm vẫn đảm bảo làm việc ổn định trong môi trường khắc nghiệt, giá thành rẻ, sai số nhỏ, khả năng chống va đập tốt.
Đặc biệt, khi mua loadcell UDA tại Tân Phát, quý khách hàng hoàn toàn có thể yên tâm về chất lượng sản phẩm với chế độ bảo hành đầy đủ, miễn phí tới 12 tháng.
*Xem thêm các loại loadcell khác do Tân Phát cung cấp tại đây >>> https://thietbidien88.com/loadcell-cam-bien-trong-luong
Quý khách hàng quan tâm, cần tư vấn và nhận báo giá chi tiết vui lòng liên hệ:
CÔNG TY CỔ PHẦN CÔNG NGHỆ TỰ ĐỘNG TÂN PHÁT
- Địa chỉ: VT32, LK4, KĐT Đại Thanh, Tả Thanh Oai, Thanh Trì, Hà Nội
- Hotline: 0963 966 866
- Email: tpautotech01@gmail.com